いらっしゃいませ。 __MEMBER_LASTNAME__ 様
__ITM_CNT__
商品検索
カテゴリから選ぶ
>
オリジナルアンプキット
>
電源トランス
>
出力トランス PMFシリーズ
>
オリエントハイビーカットコア出力トランスOHCシリーズ
>
アモルファスカットコア出力トランスACシリーズ
>
ファインメットカットコア出力トランス FMシリーズ
>
チョークコイル
>
ライントランス
>
インプットトランス
>
ドライバートランス
>
ネットワークコイル
>
アッテネーター
>
マッチングトランス
>
MCトランス
>
LCR型フォノイコライザ-コイル
>
ギターアンプ
>
低電圧トランス
>
単巻トランス
>
複巻(絶縁)トランス
>
トラベルトランス(単巻)
>
ユニバーサルトランス
>
シャーシ
>
ケース単品
>
各種部品
>
橋本トランス
>
ISOトランス
>
ヘッドシェル
>
その他
× 閉じる
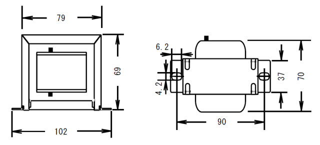
PM-H3受注生産品
価格:7,640円(税込)
商品説明
▼ 商品説明の続きを見る ▼
価格:
7,640円
(税込)
注文
カートへ
▲